
language
Bienvenido a conectar
En el contexto del rápido desarrollo de la nueva industria energética, escenarios como almacenamiento de energía comercial e industrial , estaciones de cambio de baterías , y sistemas de almacenamiento fotovoltaico domésticos han impuesto mayores exigencias a la Precisión, compatibilidad e inteligencia. de medición de electricidad . Acrel Electric ha desarrollado una gama completa de nuevas soluciones de instrumentación de soporte energético. Estas soluciones están diseñadas a medida para los requisitos principales de diferentes escenarios de aplicación, cubriendo necesidades de medición desde aplicaciones domésticas de bajo consumo hasta sistemas de almacenamiento de energía industriales y comerciales a gran escala. Las soluciones brindan soporte confiable para el funcionamiento estable y la medición precisa de nuevos sistemas de energía.
La energía fotovoltaica residencial y el almacenamiento de energía representan un escenario de aplicación importante para la popularización de nuevas energías. Acrel ha desarrollado productos de instrumentos altamente compatibles dirigidos a diferentes subescenarios, incluidos Combinación de inversores de almacenamiento de energía, integración de inversores híbridos, sistemas de almacenamiento fotovoltaico de balcón y sistemas de transmisión transparente punto a punto de almacenamiento de microenergía. . Estos productos equilibran la integración, la velocidad de medición y la flexibilidad de comunicación.
En respuesta a las características del mercado de compatibilidad multimarca en sistemas fotovoltaicos y de almacenamiento de energía, se adopta la configuración RS485 CT para adaptarse a condiciones de instalación inciertas para agentes profesionales. Los instrumentos están certificados con las certificaciones internacionales CE-MID, UL y RCM. Con una frecuencia de actualización de datos de alta velocidad de 50 ms, los dispositivos también admiten el ajuste de secuencia de fases, lo que garantiza una medición precisa y una gran compatibilidad.
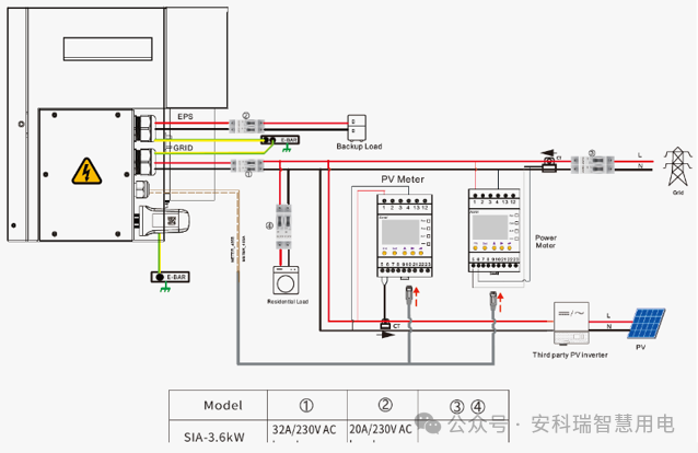
Para requisitos de alta integración de diseños de inversores de almacenamiento de energía todo en uno y requisitos de medición de doble canal en escenarios de modernización, los instrumentos están equipados con terminales de enchufe rápido de voltaje y corriente y puertos de comunicación RJ45. También admiten frecuencias de actualización de datos de 50 ms y ajuste de secuencia de fases, junto con un sistema de certificación integral, lo que los hace adecuados tanto para escenarios de instalación nuevos como de modernización.
Diseñada específicamente para sistemas fotovoltaicos distribuidos de baja potencia y sistemas de almacenamiento de energía en balcones, esta solución equilibra una alta integración con una instalación y puesta en marcha convenientes. además de terminales de conexión rápida y medición de doble canal , también soporta Funciones de depuración WiFi, WiFi HaBajo y Bluetooth . El diseño inalámbrico simplifica significativamente la instalación en escenarios de pequeña escala y el producto cuenta con la certificación CE-RED.
Para abordar el Pobre penetración y rendimiento de red inestable. de traditional WiFi in micro-energy storage scenarios, WiFi HaLow Se adopta tecnología de comunicación (Sub-1GHz). En comparación con el WiFi tradicional, proporciona una mayor capacidad de penetración y una distancia de transmisión más larga. En comparación con la comunicación LoRa, ofrece mayor velocidad de transmisión y mejor estabilidad. El instrumento admite de forma nativa esta tecnología y solo requiere un AP adicional en el lado del inversor para permitir la comunicación inalámbrica. También admite configuraciones de red rápidas uno a uno y uno a muchos, lo que lo hace adecuado para sistemas domésticos de microalmacenamiento con múltiples inversores y balcones.
El almacenamiento de energía industrial y comercial, el almacenamiento de energía a gran escala y las estaciones de intercambio de baterías requieren estándares estrictos en cuanto a precisión de medición, velocidad de actualización, flexibilidad de instalación y cumplimiento normativo. Acrel ofrece productos de instrumentos integrados y montados en riel DIN basados en requisitos clave como facturación multitarifa, medición de la demanda, protección contra el flujo de energía inverso y comunicación inalámbrica , compatible tanto con instalaciones nuevas como con aplicaciones de modernización.
El APM521 ha obtenido la certificación CSA (UL) en el extranjero y proporciona una precisión de medición de energía activa de hasta 0,2 s clase (Clase D). Está equipado con almacenamiento en tarjeta SD para parámetros eléctricos en tiempo real. El diseño del módulo de expansión de la unidad principal modular admite montaje integrado y en riel DIN, lo que cumple con los requisitos de instalación diversificados en proyectos nuevos.
Este es un medidor de clase 0.5S con CT externo, ampliamente utilizado en aplicaciones de grandes clientes. Admite cableado de modernización de CT secundario y puede bloquear directamente la corriente del lado secundario de transformadores de corriente existentes, lo que lo hace muy adecuado para proyectos de modernización de medidores. El producto cuenta con certificaciones CPA, CE y UL y también se puede personalizar en una versión de actualización de alta velocidad para cumplir con los requisitos de aplicaciones de alto rendimiento.
Además, las soluciones industriales y comerciales también integran funciones de protección contra sobrecargas. El sistema se puede conectar a escenarios de almacenamiento de energía del lado de alto y bajo voltaje y puede funcionar con medidores de electricidad de múltiples tarifas para lograr una medición precisa de la electricidad bajo diferentes estructuras tarifarias, brindando soporte integral de seguridad y gestión de energía para sistemas de almacenamiento de energía industriales y comerciales y estaciones de intercambio de baterías.
En el contexto de actualizaciones continuas en la industria de nuevas energías, Acrel continuará enfocándose en la innovación y mejorando aún más su nueva tecnología de instrumentación de soporte de energía y su sistema de productos. La empresa tiene como objetivo proporcionar servicios más eficientes, inteligentes y confiables. medición de electricidad solutions para almacenamiento de energía comercial e industrial, estaciones de intercambio de baterías y aplicaciones de almacenamiento fotovoltaico doméstico, lo que ayuda a promover el desarrollo de alta calidad de la nueva industria energética.
Derechos de autor © Acrel Co., Ltd. Reservados todos los derechos.
