Aplicación del sistema de TI médico Acrel en hospitales de Malasia
Inicio / Proyectos / hospitales / Aplicación del sistema de TI médico Acrel en hospitales de Malasia

Aplicación del sistema de TI médico Acrel en hospitales de Malasia

Con el uso cada vez mayor de equipos médicos electrónicos en los hospitales, el riesgo de fuga de corriente plantea amenazas importantes para la seguridad del paciente, particularmente en entornos de cuidados críticos. Durante los procedimientos quirúrgicos o la anestesia, los pacientes están conectados directamente a varios electrodos y sensores. Incluso las corrientes de fuga mínimas pueden provocar una descarga eléctrica cuando los dispositivos médicos entran en contacto directo con el cuerpo humano.

Además, los equipos de soporte vital para pacientes críticos deben mantenerse en funcionamiento ininterrumpido. Cualquier interrupción del suministro eléctrico podría poner inmediatamente en peligro la vida de los pacientes. Por lo tanto, los sistemas eléctricos hospitalarios deben cumplir estrictamente con los estándares nacionales mediante la implementación de sistemas de suministro de energía TI en áreas designadas.

Este estudio de caso demuestra la aplicación del sistema de suministro de energía aislado médico de Acrel en Malasia, y presenta:

Distribución de energía de TI médica

Dispositivos de control de aislamiento

Sistemas de localización de fallas

Contáctenos
  • Descripción general del proyecto
  • Descripción general del proyecto
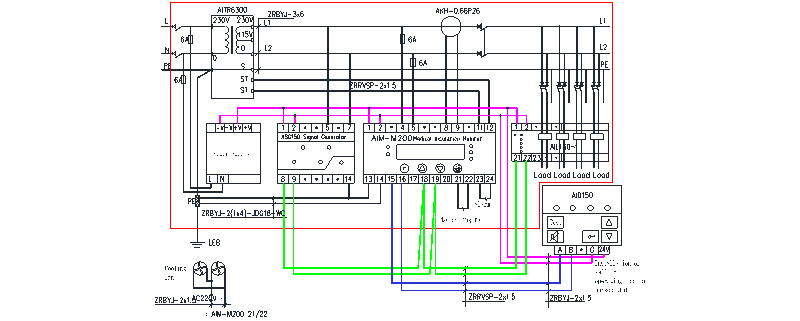
    Malaysia I.E.D está ubicado en SELANGOR DARUL EHSAN, el proyecto se utiliza principalmente en un hospital insular en Malasia, los productos se utilizan para la localización de fallas de aislamiento de 12 circuitos para 3 sistemas de energía aislados de hospitales, los productos relacionados son el dispositivo de monitoreo de aislamiento AIM-M200, el generador de prueba de señal ASG150, el indicador de alarma centralizado AID150, el localizador de fallas de aislamiento AIL150-8, AIL150-4 y el transformador de corriente de fuga AKH-0.66P26.


    Introducción al sistema de TI médico
    El dispositivo de monitoreo de aislamiento y el sistema de localización de fallas del sistema de TI médico ACREL es adecuado para quirófanos de hospitales, UCI (CCU) y otros lugares importantes, y puede proporcionar un lugar seguro para soluciones de energía continuas y confiables.


    Solución de suministro de energía para consultorios médicos
    Soluciones de distribución de salas de UCI y CCU (diagrama del sistema de gabinete eléctrico aislado GGF-I8G, por ejemplo)


    Opción I sin función de localización de fallos


    Opción II con función de localización de fallos

    NOTA: En las soluciones de distribución de energía de la unidad de cuidados intensivos, se debe instalar un dispositivo de visualización y alarma centralizado de la serie AID en la estación de enfermeras; el personal del hospital de la estación de enfermeras monitorea el estado operativo de cada sistema de energía aislado.


    Soluciones de distribución para quirófano (diagrama del sistema de gabinete eléctrico aislado GGF-O8G, por ejemplo)

    Opción I sin función de localización de fallos de aislamiento


    Opción II con función de localización de fallos de aislamiento

    1. En las soluciones de distribución de energía del quirófano, la serie AID de dispositivos de visualización y alarma externos debe instalarse en el panel de inteligencia dentro del quirófano o al lado del panel de inteligencia (instalación montada en la pared). Durante la cirugía, el personal médico monitorea el estado del sistema de energía aislado.

    2. En el esquema con función de localización de fallos de aislamiento, si el número de canales localizados es superior a ocho, se pueden utilizar dos juegos de localizadores AIL150. La combinación puede ser AIL150-8 y AIL150-4 (hasta 12 canales), o AIL150 -8 y AIL150-8 (hasta 16 canales).

    3. Diagrama de cableado típico






    4. Introducción de TI médica de 7 piezas

    Nombre y tipo de producto Imagen del producto Descripción
    Transformador de aislamiento médico serie AITR El transformador de aislamiento de la serie AITR se utiliza especialmente en sistemas informáticos médicos. Los devanados están tratados con doble aislamiento y tienen una capa de blindaje electrostático, que reduce la interferencia electromagnética entre devanados. El sensor de temperatura PT100 está instalado en la bolsa de cables para controlar la temperatura del transformador. Toda la carrocería está tratada con pintura de invasión al vacío, lo que aumenta la resistencia mecánica y la resistencia a la corrosión. El producto tiene un buen rendimiento de aumento de temperatura y muy poco ruido.
    Instrumento de monitoreo de aislamiento inteligente médico AIM-M200 El instrumento médico inteligente de monitoreo de aislamiento AIM-M200 adopta tecnología de microcontrolador avanzada, que tiene alta integración, tamaño compacto, instalación conveniente e integra inteligencia, digitalización y redes en uno. Es la selección ideal para el monitoreo del aislamiento de sistemas de energía aislados en ubicaciones médicas de Clase 2, como quirófanos y unidades de cuidados intensivos.
    Transformador de corriente AKH-0.66P26 El transformador de corriente tipo AKH-O 66P26 es el transformador de corriente de protección que soporta el monitor de aislamiento AIM-M200, cuya corriente máxima medible es 60 A y la relación de transformación es 2000:1. El transformador de corriente se fija directamente dentro del gabinete mediante tornillos, y el lado secundario sale por el terminal, lo cual es conveniente de instalar y usar.
    Localizador de fallos de aislamiento AIL150-4/AIL150-8 Localizador de fallos de aislamiento AIL150-4/AIL150-8 adopts high sensitivity transformer combined with a high precision signal detecting circuit, which detects the signal imported into the system from the ASG150 test signal generator and accurately locates the circuits which have insulation faults. AIL150-4 insulation fault locator can locate the insulation faults of 4 circuits, and the AIL150-8 insulation fault locator can locate the insulation faults of 8 circuits.
    Generador de señal de prueba ASG150 El generador de señal de prueba ASG150 adopta un chip microprocesador de 32 bits y un circuito de generación de señal de alta precisión para realizar la generación de la señal de prueba específica. Cuando el sistema de TI monitoreado tiene fallas de aislamiento, puede iniciarse y producir una señal de prueba a tiempo, trabajando con el localizador de fallas de aislamiento para localizar la falla de aislamiento.
    Módulo de potencia HDR-60-24 La fuente de alimentación de corriente continua HDR-60-24 puede proporcionar una fuente de alimentación de 24 V CC simultáneamente para el AIM-M200
    instrumento de monitoreo de aislamiento inteligente médico, generador de señal de prueba ASG150, localizador de fallas de aislamiento de la serie AIL150 e instrumento de visualización y alarma centralizado AID150. La fuente de alimentación es de alta capacidad, salida de voltaje estable y una instalación conveniente, que puede cumplir con los requisitos de fuente de alimentación de los medidores mencionados anteriormente y es el producto de fuente de alimentación recomendado.
    Instrumento de visualización y alarma centralizado AID1 50 El instrumento de visualización y alarma centralizado AID150 adopta la pantalla de cristal líquido LCD y logra el intercambio de datos con el instrumento médico de monitoreo de aislamiento inteligente AIM-M200 a través de la interfaz de comunicación RS485, que puede monitorear en tiempo real los datos multicanal del instrumento de monitoreo de aislamiento médico inteligente AIM-M200.

    Fotos en el sitio



Acrel Co., Ltd.