Corriente nominal 80A directamente
Certificado MEDIO
Clase C de alta precisión
Montado en carril DIN de 35 mm.
Salida de pulso
4 Módulos 72mm Ancho
Para gestión de energía de IoT, fábrica, escuela
Mediciones de verdadero valor eficaz
THD con armónicos 63
Factor K y factor de cresta
Desequilibrio y ángulos de fase
Demandas y energía Multitarifa
Registro máximo/mínimo con marca de tiempo
+86-18702106858 / +86-21-69156352
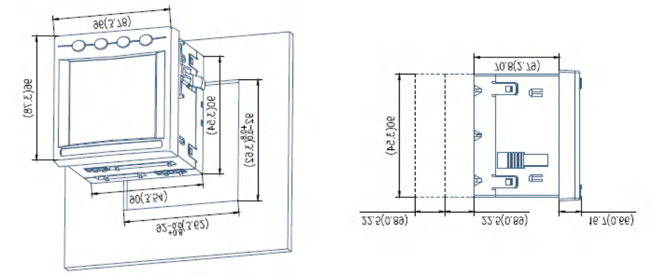
APM810 es un medidor de panel multifunción de CA trifásico de clase 0.2S diseñado para monitoreo preciso de energía, diagnóstico de calidad de energía y subfacturación de inquilinos en tableros de distribución industriales, comerciales y de centros de datos. El gabinete DIN compacto de 96 × 96 mm alberga una pantalla táctil TFT en color que muestra voltaje RMS real a 690 V, corriente, frecuencia, potencia activa/reactiva/aparente, PF, demanda, armónicos hasta 63, THD y kWh/kvarh de cuatro cuadrantes. Modbus-RTU RS485 dual, Ethernet TCP/IP, BACnet/IP, SNMP y Wi-Fi/LoRa opcional ofrecen una integración BMS/EMS perfecta, mientras que la memoria integrada de 4 MB registra perfiles de carga de 12 meses para auditorías energéticas. Alarmas configurables de sobre/bajo voltaje, corriente, PF y armónicos accionan salidas de relé o entradas digitales para control inteligente de interruptores; Los registros de pulso, SOE y TOU de tarifas admiten aplicaciones de servicios públicos AMI, medición neta solar y carga de vehículos eléctricos. Conexión ancha de 3 × 57,7–690 V, 0,001–10 A directa o CT/VT más sellado a prueba de manipulaciones que se adapta a cualquier implementación de red inteligente o microrred.
| Parámetros técnicos | Valor | |||
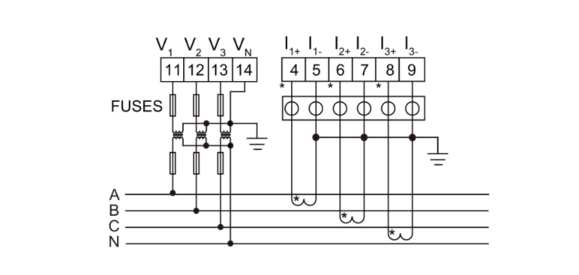
| Entrada | Conexión | Monofásico de 2 hilos, trifásico de 3 hilos, trifásico de 4 hilos | ||
| Frecuencia | 45-65Hz | |||
| voltaje | Clasificación: | |||
| monofásico: CA 100 V, 400 V | ||||
| Trifásico: CA 3 × 57,7 V/100 V (100 V), 3 × 220 V/380 V (400 V), 3 × 380 V/660 V (660 V) (solo tamaño 96) | ||||
| Sobrecarga: clasificación de 1,2 veces (continua): clasificación de 2 veces durante 1 segundo | ||||
| Consumo de energía: < 0,5 VA | ||||
| Actual | Clasificación: AC IA、5A | |||
| Sobrecarga: clasificación de 1,2 veces (continua); clasificación de 10 veces durante 1 segundo | ||||
| Consumo de energía: < 0,5 VA | ||||
| Salida | energia electrica | Salida mode:open-collector photo-coupler pulse | ||
| Constante de pulso: 10000 imp/kWh (configurable), consulte el diagrama de cableado para obtener más detalles; | ||||
| comunicación | Puerto RS485, protocolo Modbus -RTU, protocolo DLT645 (versiones 07 y 97), | |||
| velocidad de baudios 1200 ~ 38400 | ||||
| Función | Entrada de conmutación | Entrada de contacto seco, fuente de alimentación incorporada; si el modelo es KA, tiene CA 220 V activo. | ||
| Salida de conmutación | Salida mode: Relay normally open contact output | |||
| Capacidad de contacto: CA 250 V/3 A, CC 30 V/3 A. | ||||
| Salida analógica | 4 - 20mA | |||
| Clase de precisión | Frecuencia:0.05Hz,Current、Voltage:0.2 class,Reactive power:l .0class,Reactive Electric energy:l .0class, active power:0.5class,active electric energy: 0.5class,2-31th harmonic measurement:±1% | |||
| Fuente de alimentación | CA/CC 85-265 V o CC 24 V (±20 %) o CC 48 V (±20 %) | |||
| consumo de energía≤10VA | ||||
| Seguridad | Tensión soportada a frecuencia industrial | Entre fuente de alimentación//Salida de conmutación// Entrada de corriente//Entrada de voltaje y transmisión// Comunicación //Salida de impulsos//Entrada de conmutación CA 2 kV 1 min; | ||
| Entre fuente de alimentación, salida de conmutación, entrada de corriente, entrada de voltaje CA 2 kV 1 min; | ||||
| Entre transmisión, comunicación, salida de pulso, entrada de conmutación CA 1 kV 1 min; | ||||
| Resistencia de aislamiento | Entrada、Output end to machine enclosure >100MΩ | |||
| Medio ambiente | Temperatura | trabajo: -25°C~ 65°C almacenamiento: -40°C ~ 80°C | ||
| Humedad | ≤93%RH sin condensación | |||
| Altitud | ≤2500 millones | |||
Solución de monitoreo de energía
Fundada en 2003, Acrel Co., Ltd. [Código bursátil: 300286.SZ] es una empresa de alta tecnología especializada en soluciones de gestión energética y seguridad eléctrica. Con sede en Shanghái, Acrel ofrece soluciones innovadoras y sostenibles para la eficiencia energética y la seguridad eléctrica en microrredes. Con más de 600 patentes y derechos de autor de software, Acrel ha implementado más de 28 000 soluciones de sistemas a nivel mundial, conformando una arquitectura integral de internet de la energía que abarca desde la nube hasta el borde.
Acrel Co., Ltd. es Venta al por mayor de China Medidor de energía montado en panel programable trifásico de CA Fabricantes y Medidor de energía montado en panel programable trifásico de CA Fábrica. El ecosistema integrado de productos de Acrel abarca desde software de plataforma en la nube hasta componentes para el usuario final, abarcando sectores como la energía, las energías renovables, los centros de datos, los edificios inteligentes, el transporte y las ciudades inteligentes. Estas soluciones permiten una gestión energética inteligente en tiempo real, mejorando la seguridad energética y reduciendo los costes operativos. Ofrecemos Medidor de energía montado en panel programable trifásico de CA en venta.
La planta de producción de la empresa, Jiangsu Acrel Electric Manufacturing Co., Ltd., cumple con estrictos estándares de calidad y directrices medioambientales, con centros de pruebas avanzados y un compromiso con los procesos de producción sin plomo. El equipo de Acrel, compuesto por más de 500 ingenieros, ofrece sistemas de eficiencia energética de vanguardia y soluciones energéticas inteligentes.
Con una sólida presencia nacional, Acrel se expande activamente a nivel internacional, respaldada por una red global de equipos comerciales y técnicos y una plataforma de comercio electrónico que garantiza experiencias de servicio fluidas en todo el mundo. Acrel se enorgullece de ayudar a las empresas a mejorar la eficiencia, reducir el consumo y alcanzar sus objetivos de sostenibilidad.
Juntos estamos construyendo un futuro más inteligente y más verde.
Patentes autorizadas
0+Número de clientes atendidos
0+Total de empleados
0+Base manufacturera
0m²Bienvenido a conectar En el contexto del rápido desarrollo de la nueva industria energética, escenarios como almacenamiento de energía comercial e industrial , estaciones de cambio de baterías , y sistemas de almacenamiento fotovoltaico domésticos han impuesto mayores...
Leer másAntecedentes de la industria e importancia de la aplicación Las barras colectoras sirven como columna vertebral de los sistemas de distribución eléctrica en industrias que van desde aparamenta, accionamientos industriales, inversores de energía renovable, sistemas de almacenamiento de energía ...
Leer másAntecedentes de la industria e importancia de la aplicación La rápida adopción de vehículos eléctricos (EV) está impulsando nuevos requisitos de infraestructura en entornos residenciales de múltiples inquilinos, como complejos de apartamentos, edificios de uso mixto y viviendas multifamiliares...
Leer más